热继电器主要保护对象是三相电机,它的作用是过载保护,也有部分热继电器还带有缺相保护。从原理上来分析,只要被保护对象(三相电机)的额定电流不超过热继电器电流调节范围,那么都可以配置热继电器。对于功率特别大的三相电机,还可以采用电流互感器和热继电器配合使用。
热继电器工作原理
热继电器工作原理在网上有很多而且写的特别详细,比我讲的还好。这里我就用简单的语言来描述一下热继电器的大致工作原理。

热继电器有主触头和辅助触头,主触头上分别标有L1/T1、L2/T2、L3/T3,辅助触头上面标有NO(常开)、NC(常闭)。
在使用的时候把热继电器主触头串联到主电路中,用于检测主线路电流大小。当热继电器主触头检测到实际电流超过热继电器整定电流时,那么辅助触头常开(NO)就接通,辅助触头常闭(NC)就断开。
那么我们可以把热继电器辅助触头常闭串联到接触器线圈上,来控制接触器线圈断电,从而达到控制接触器主触头断电。至于热继电器常开触头,我们可以把它用于发出过载信号,比如把它和故障指示灯或者蜂鸣器串联。一旦设备发生过载,那么热继电器辅助触头常开接通,故障指示灯亮或蜂鸣器报警。

热继电器选型
在选择热继电器额定电流时,需要根据电机额定电流来选择,需要确保电机额定电流在热继电器调节范围内。下图是国产某品牌的热继电器选型表,我们来看一下。

从上图可以看出,该品牌NR2系列热继电器的额定电流范围从0.1--93A,几乎涵盖所有中小功率电机。所以,不论什么功率电机都可以装配热继电器来实现过载保护。
有些朋友可能好奇,如果电机额定电流超过93A,那怎么办呢?
1. 我们可以选其他系列,额定电流更大的热继电器。
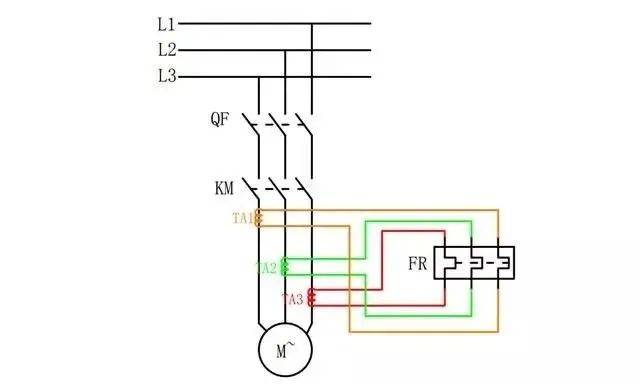
2. 可以采用电流互感器和热继电器配合使用。

如上图所示,把三相电机电源线穿过电流互感器,然后把电流互感器的二次侧接入热继电器主触头。热继电器整定值取电机额定电流除以电流互感器的倍数即可。
举个例子
有一个三相电机额定电流为200A,要想对该电机实现过载保护。那么可以选一个250/5的电流互感器,然后选一个额定电流2.5-4A的热继电器串联在电流互感器二次回路中。
正常工作时,电机额定电流为200A,互感器感应电流为200/50=4A。当电机发生过载时,那么互感器感应电流也会增大,热继电器主触头检测到电流超过设定值,那么辅助触头常闭断开,接触器线圈断电,电机停止。