EH2918B-A9EC长按开关机芯片
一、 功能说明
EH2918B为工业级长按开关机芯片,芯片采用超低功耗;封装为SOT23-6小封装
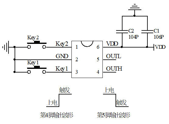
两按键(KEY1、KEY2)输入控制,两路信号同步输出,上电OUTL输出高电平、OUTH输出低电平。
KEY1键:长按1秒开机,OUTL低电平输出、OUTH高电平输出,再长按5秒关机,OUTL低电平翻转为高电平、OUTH高电平翻转为低电平,依次循环。
KEY2键:长按3秒开机,OUTL低电平输出、OUTH高电平输出,再长按5秒关机,OUTL低电平翻转为高电平、OUTH高电平翻转为低电平,依次循环。
多应用于手持仪器,医疗设备;机器人等工业级产品上面;
二、 极限参数
Absolute Maximum Ratings
Voltage applied at VDD to VSS .................- 0.3V to 6.0V
Voltage applied at any pin to VSS................- 0.3V to VDD+0.3V
Operating ambient temperature.................... -40°C to 85°C
Storage ambient temperature ......................-40°C to 125°C
三、 电气参数(VDD=5.0V TA=25℃)
工作电压:2.4V-5.0V;
工作电流:5uA;
静态电流:5uA;
驱动电流低电平输出:14mA;
驱动电流高电平输出:6mA;
过VDD极限电流:50mA;
过GND极限电流:6mA;
工作温度:-40摄氏度-+85摄氏度;
储存温度:-40摄氏度-+125摄氏度;
四、 电路图参考
 
开关机芯片
五、 封装尺寸图(SOT23-6)

六、 版本说明
版本:EH2918B-A9EC
日期:2024/10/29
描述:V01初版

长按开关机芯片