





系列型号:
HJY-E1A/4D数字式交流电压继电器;HJY-E1A/4J数字式交流电压继电器;
HJY-E1B/4D数字式交流电压继电器;HJY-E1B/4J数字式交流电压继电器;
HJY-E2A/4D数字式交流电压继电器;HJY-E2A/4J数字式交流电压继电器;
HJY-E2B/4D数字式交流电压继电器;HJY-E2B/4J数字式交流电压继电器;
HJY-91A/4D数字式交流电压继电器;HJY-91A/4J数字式交流电压继电器;
HJY-91B/4D数字式交流电压继电器;HJY-91B/4J数字式交流电压继电器;
HJY-92A/4D数字式交流电压继电器;HJY-92A/4J数字式交流电压继电器;
HJY-92B/4D数字式交流电压继电器;HJY-92B/4J数字式交流电压继电器;
HJY-91A/5D数字式交流电压继电器;HJY-91A/5J数字式交流电压继电器;
HJY-91B/5D数字式交流电压继电器;HJY-91B/5J数字式交流电压继电器;
HJY-92A/5D数字式交流电压继电器;HJY-92A/5J数字式交流电压继电器;
HJY-92B/5D数字式交流电压继电器;HJY-92B/5J数字式交流电压继电器;
HJY-91A/6D数字式交流电压继电器;HJY-91A/6J数字式交流电压继电器;
HJY-91B/6D数字式交流电压继电器;HJY-91B/6J数字式交流电压继电器;
HJY-92A/6D数字式交流电压继电器;HJY-92A/6J数字式交流电压继电器;
HJY-92B/6D数字式交流电压继电器;HJY-92B/6J数字式交流电压继电器;
HJY-91A/7D数字式交流电压继电器;HJY-91A/7J数字式交流电压继电器;
HJY-91B/7D数字式交流电压继电器;HJY-91B/7J数字式交流电压继电器;
HJY-92A/7D数字式交流电压继电器;HJY-92A/7J数字式交流电压继电器;
HJY-92B/7D数字式交流电压继电器;HJY-92B/7J数字式交流电压继电器;
HJY-91A/8D数字式交流电压继电器;HJY-91A/8J数字式交流电压继电器;
HJY-91B/8D数字式交流电压继电器;HJY-91B/8J数字式交流电压继电器;
HJY-92A/8D数字式交流电压继电器;HJY-92A/8J数字式交流电压继电器;
HJY-92B/8D数字式交流电压继电器;HJY-92B/8J数字式交流电压继电器;
HJY-91A/9D数字式交流电压继电器;HJY-91A/9J数字式交流电压继电器;
HJY-91B/9D数字式交流电压继电器;HJY-91B/9J数字式交流电压继电器;
HJY-92A/9D数字式交流电压继电器;HJY-92A/9J数字式交流电压继电器;
HJY-92B/9D数字式交流电压继电器;HJY-92B/9J数字式交流电压继电器;
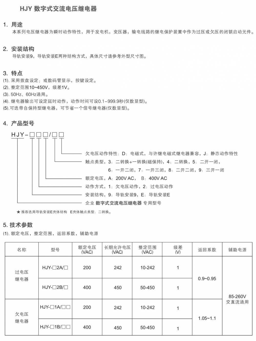
一、产品概述
HJY-92A/8J电压继电器主要用于发电机、变压器及输电线路的继电保护装置中,作为过压或欠压的闭锁启动元件。它采用集成电路静态型设计,具有精度高、功耗小、动作时间短、返回系数高、整定直观方便以及范围宽等特点。
二、主要特点
高精度与低功耗:HJY-92A/8J电压继电器采用先进的集成电路技术,实现了高精度的电压监测和低功耗运行。
快速动作时间:继电器的动作时间非常短,能够在电压异常时迅速响应,从而保护电力设备免受损害。
高返回系数:继电器的返回系数高,确保了电压恢复正常后能够可靠地复位。
宽整定范围:整定范围宽,可根据实际需求进行灵活设置,满足不同应用场合的需求。
多种触点形式:继电器提供2常开2常闭的触点形式,方便用户根据需要进行连接和控制。
数码管显示与按键设定:部分型号采用数码管显示和按键设定方式,使得整定过程更加直观和方便。
三、技术参数
额定电压:AC220V(可选AC110V、400V)
触点形式:2常开2常闭
整定范围:AC10V242V(部分型号可达AC50V450V)
动作时间:瞬时动作(具体根据型号和设定值而定)
返回系数:1.051.1(低电压);0.90.95(过电压)
功耗:小于5W
绝缘电阻:不小于10MΩ(用开路电压500V的兆欧表测量)
绝缘耐压:能耐受2KV(有效值)50Hz试验电压,历时1分钟无击穿或闪络现象
四、环境条件
环境温度:-15℃~55℃
工作电压:不大于120%额定电压
工作位置:任意
周围磁场强度:小于0.5mT
环境相对湿度:不大于90%
大气压力:80~110KPa
温度范围:-25℃~+70℃(用于指导继电器在储存和运输过程中的温度条件)
海拔高度:不大于2500米
五、应用领域
HJY-92A/8J电压继电器广泛应用于电力系统、工业自动化、通信设备等领域。它可用于监测和控制电力设备的电压状态,确保设备在安全的电压范围内运行。同时,继电器还可作为保护元件,在电压异常时及时切断电路,防止设备损坏或事故发生。
六、注意事项
在安装和使用继电器时,应确保电源已切断并遵循相关安全规定,以避免触电伤人。
定期检查继电器的电气接触情况和触点状态,如发现烧损或接触不良等情况应及时进行维护或更换。
使用继电器时,应确保其工作电压和电流不超过额定值以防电气击穿而烧损。
继电器应安装在干燥、通风、无腐蚀性气体的环境中,以确保其正常工作寿命。
综上所述,HJY-92A/8J电压继电器凭借其高精度、低功耗、快速动作时间以及宽整定范围等特点,在电力系统中发挥着重要作用。
