低压差 (LDO) 线性稳压器广泛应用于噪声敏感型应用已有数十年了。然而,随着最新的精密传感器、高速和高分辨率数据转换器 (ADC 和 DAC) 以及频率合成器 (PLL/VCO) 不断向传统的 LDO 稳压器提出挑战,以产生超低输出噪声和超高电源纹波抑制(PSRR),噪声要求变得越来越难以满足。例如,在为传感器供电时,电源噪声会直接影响测量结果的准确性。开关稳压器通常用于配电系统,以实现更高的整体系统效率。为了构建低噪声电源,LDO 稳压器通常会对噪声相对较高的开关转换器的输出进行后级调节,而无需使用庞大的输出滤波电容。LDO 稳压器的高频 PSRR 性能变得至关重要。
LT3042是一款在 1 MHz 下仅有 0.8 μV rms 输出噪声和 79 dB PSRR 的线性稳压器。两款类似的器件LT3045 和 LT3045-1可提供更高的额定值和附加功能。所有这些器件都是正 LDO 稳压器。当系统具有双极性器件 (例如运算放大器或ADC) 时,必须在极性电源设计中使用负 LDO 稳压器。LT3094 是一款具有超低输出噪声和超高 PSRR 的负 LDO 稳压器。表 1 列出了 LT3094 及相关器件的主要特性。
LT3042更多详情
表 1. LT3094 和低噪声 LDO 的特性

典型应用
LT3094 具有精密电流源基准,后接高性能输出缓冲器。负输出电压可通过流过单个电阻的 −100 µA 精密电流源进行设置。这种基于电流基准的架构可提供宽输出电压范围 (0 V 至 −19.5 V),并提供几乎恒定的输出噪声、PSRR 和负载调节,与设置的输出电压无关。图 1 显示了一个典型应用,演示板如图 2 所示。整体解决方案尺寸大约仅为 10 mm × 10 mm。

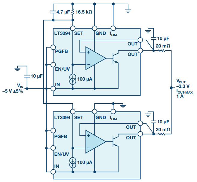
图 1. −3.3 V 输出低噪声解决方案。

图 2. 演示电路显示了一个 −3.3 V 微型解决方案。
LT3094 具有超低输出噪声,在 10 Hz 至 100 kHz 范围内为 0.8 µV rms,并且在 1 MHz 时具有 74 dB 超高 PSRR。此外,LT3094 具有可编程电流限制、可编程电源良好阈值、快速启动功能和可编程输入至输出电压控制 (VIOC)。当 LT3094 对开关转换器进行后级调节时,如果 LDO 稳压器输出电压可变,LDO 稳压器两端的电压将通过 VIOC功能保持恒定。
LT3094 通过内部保护功能避免器件损坏,包括具有折返功能的内部限流、热限制、反向电流和反向电压保护。
直接并联实现更高的电流
LT3094 可以轻松并联以增加输出电流。图 3 显示了使用两个并联的 LT3094 实现 1A 输出电流的解决方案。为了使两个器件并联,将 SET 引脚连接在一起,并在 SET 引脚和地之间放置一个SET 电阻 RSET。流过RSET的电流为 200 µA,是单个器件中 SET 电 流量的两倍。为了获得良好的均流特性,LT3094 的每个输出都使用一个 20 mΩ 的小镇流电阻。

图 3. 两个并联 LT3094 的原理图。
图 4 显示了图 3 中电路的热性能,其中输入电压为 −5 V,输出电压为 −3.3 V,运行于 1A 负载电流下。每个器件的温度大约升至 50°C,表明热量均匀分布。对于更高输出电流和更低输出噪声,可以并联的器件数量没有限制。

图 4. 两个并联 LT3094 的热图像。
具有可变输出电压的正负双电源
电源通常配置由 LDO 稳压器进行后级调节的开关转换器,以实现低输出噪声和高系统效率。为了在功耗和 PSRR 之间保持适当的权衡,LDO 稳压器的输入和输出之间的优化电压差约为 −1 V。在可变输出电压系统中保持这种电压差很复杂,但 LT3094 具有跟踪功能 VIOC,即使输出电压变化,它也能在 LDO 稳压器两端保持电压恒定。
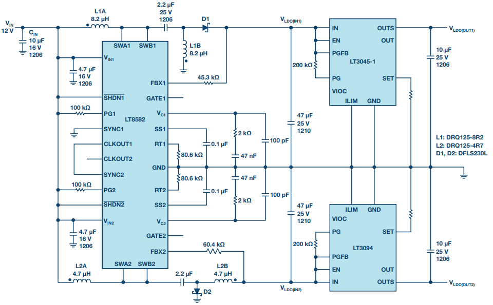
图 5 是使用LT8582、LT3045-1 和 LT3094 的双电源原理图。 LT8582 是一款具有内置开关的双通道 PWM DC/DC 转换器,能够从单个输入产生正输出和负输出。LT8582 的第一个通道配置为 SEPIC 用于产生正输出,第二个通道是反相转换器用于产生负电源轨。在负电源轨中,LT3094 两端的电压由 VIOC 电压控制

图 5. 可调节的双输出正/负电源具有高纹波抑制和低温运行性能。
其中 VFBX2 为 0 mV, IFBX 为 83.3 µA。将 R2 设置为 14.7 kΩ,则对于可变输出电压可将 VIOC 电压设置为 1.23 V。电阻 R1 为 133 kΩ时,将 LT3094 的输入电压限制为 16.5 V,则计算如下
电路在 12 V 输入下运行的热图像如图 6 所示。当输出电压从±3.3 V 变化至 ±12 V 时,LT3094 的温升保持不变。表 2 列出了所有三款器件的电压和电流。图 7 显示了在 12 V 输入下的 ±5 V 电源瞬态响应。

图 6. 12 V 输入下的双电源热图像。

图 7. 12 V 输入、±5 V 输出下的双电源瞬态响应。
表 2. 12 V 输入、±500 mA 负载下的双输出正/负电源的电路性能

在图 5 中,除了 LT8582 的输出电容之外,在 LT3094 的输入端未放置额外电容。通常,输入电容会降低输出纹波,但对 LT3094 来说并非如此。如果 LT3094 具有输入电容,则开关转换器的开关电流将流过输入电容,从而导致开关转换器与 LT3094 输出的电磁耦合。输出噪声会增加,从而使 PSRR 降低。如果开关稳压器位于具 LT3094 两英寸的范围以内,为了获得优质的 PSRR 性能,我们建议不要在 LT3094 的输入端放置电容。
结论
LT3094 是一款具有超低噪声和超高 PSRR 的负 LDO 稳压器。它采用基于电流基准的架构,可使噪声和 PSRR 性能独立于输出电压,多个 LT3094 可以轻松并联,以增加负载电流并降低输出噪声。当 LT3094 用于对开关转换器进行后置调节时,VIOC 功能可以较大限度地降低 LDO 稳压器的功耗,使其成为可变输出电压应用的理想选择。