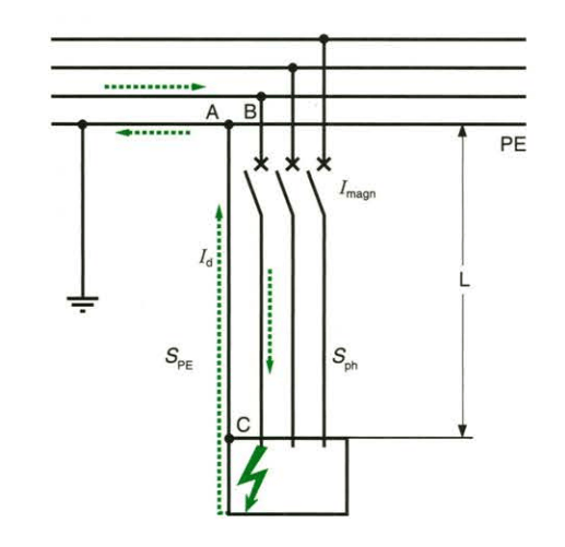
对三本资料文献中关于断路器作为故障防护时电缆的最大允许长度,进行公式对比。
补充了微型断路器作为故障防护时电缆最大允许长度。
补充了切断时间0.4S时,2~12A熔断器对应的电缆最大允许长度。


一、相关资料1、《工业与民用供配电设计手册(第四版)》2、《建筑电气常用数据》19DX101-13、《2017电气装置应用(设计)指南》施耐德电气
1、《断路器故障保护允许线路长度的应用简析》韩帅《建筑电气》2020.012、《低压配电设计解析》任元会 2020.10二、资料数据核验1、《工业与民用供配电设计手册(第四版)》(第965~967页)


示例1:对于瞬动值200A,电缆采用4mm2,计算其最大电缆允许长度。

示例2:对于瞬动值2000A,电缆采用185mm2,计算其最大电缆允许长度。

注:核验计算结果与表格一致。
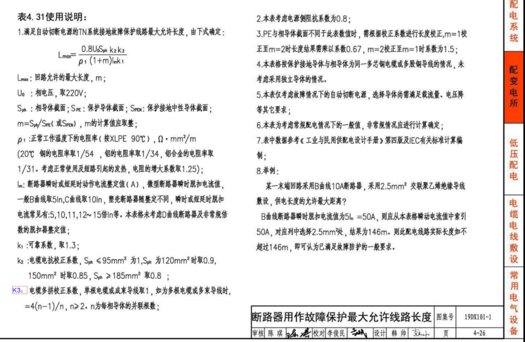
2、《建筑电气常用数据》19DX101-1(第4-25~4-26页)


示例3:对于瞬动值200A,电缆采用4mm2,计算其最大电缆允许长度。

示例4:对于瞬动值2000A,电缆采用185mm2,计算其最大电缆允许长度。

注:核验计算结果与表格一致。特别注意的是此处公式指定电阻的增大系数为1.25,没有列在公式中,核算时需考虑。
3、《2017电气装置应用(设计)指南》施耐德电气(第F25~F26页)


示例5:对于瞬动值200A,电缆采用4mm2,计算其最大电缆允许长度。

示例6:对于瞬动值2000A,电缆采用185mm2,计算其最大电缆允许长度。

注:核验计算结果与表格有偏差。
三、结论3.1、分别以两种模型(200A,4mm2和2000A,185mm2)对上述三本资料核算,结果如下:
模型一 200A,4mm2 |
模型二 2000A,185mm2 |
|||
表格值 |
计算值 |
表格值 |
计算值 |
|
《配四》 |
53 |
53 |
151 |
151 |
《建筑电气常用数据》 |
59 |
59 |
144 |
144 |
施耐德2017电气装置应用(设计)指南 |
67 |
81.77 | 257*0.67 |
252*0.67=169 |
《配四》和《建筑电气常用数据》两份资料按照公式核算无误,但施耐德的指南中存在偏差。
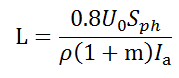
3.2、《施耐德2017电气装置应用(设计)指南》中的公式如下:

其出处为法国标准UTE C15-105:2003。

施耐德在此基础上对导体的校正系数做了补充,考虑了相导体和接地导体的截面差异。但施耐德的公式未考虑短路器的可靠系数,且电压与电阻率与国内的两本资料不同,建议在设计时参考前两本来核验电缆长度。
GB50217-2007中附录E提到铜芯电缆导体电阻率为0.0184*10-4Ω·cm2/cm。不过在2018版中已修改为0.01724*10-4Ω·cm2/cm。
单位换算:0.01724*10-4Ω·cm2/cm=0.01724*10-4*100Ω·cm2/m=0.01724*10-4*100*100Ω·mm2/m=0.01724Ω·mm2/m
0.01724Ω·mm2/m=0.01724*10-6Ω·m2/m=0.01724*10-6Ω·m
3.3.2《建筑电气常用数据》中电阻率为1/54 Ω·mm2/m =0.01851Ω·mm2/m,其出处为《三相交流系统短路电流计算 第1部分:电流计算》 GB∕T 15544.1-2013 第3.4节。(最新版为2023版 6.4节)
标准GB∕T 15544.1-2013为等同采用(IDT)IEC 60909-0:2001
标准GB∕T 15544.1-2023为等效修改(MOD)IEC 60909-0:2016
也可以理解为1/54 Ω·mm2/m的电阻率值,出自IEC60909-0。
3.3.3《施耐德2017电气装置应用(设计)指南》中铜电阻率为0.0225Ω·mm2/m。(不晓得此电阻率出处,若依照法国标准UTE C15-105:2003,电阻率为0.01851Ω·mm2/m)

3.4、《配四》和《建筑电气常用数据》比较:3.4.1 《配四》考虑了熔断器作为保护元器件时铜芯电缆的最大允许长度,但未考虑微断作为保护元器件时的铜芯电缆的最大允许长度。(不少终端配电箱的分支保护元器件为微型断路器,比如照明配电箱。)
断路器并不一定是瞬动电流来作为保护,短延时一样也可以。(虽然部分断路器才有短延时)
《配四》中的表11.2-4中的长度,考虑了断路器的瞬时脱扣器动作误差系数1.2和动作可靠系数1.2(1.2*1.2=1.44)。但依据GB50054-2011(6.2.4),此系数只需要按1.3倍考虑即可。
《配四》的校审和主审为任元会,任老在其书《低压配电解析中》5.4节中已修改系数为1.3,其书中的长度比《配四》相比,电缆最大允许长度相应增加(1.44/1.3)倍。
《配四》中表11.2-4中截面1.5和2.5行的长度值有误,任老在《低压配电解析中》表5.4-7中是准确的。
3.4.2 《建筑电气常用数据》未考虑熔断器和微型断路器作为保护元器件时铜芯电缆的最大允许长度。另其举例中用的是B型曲线10A断路器,2.5mm2的截面,查表为146(实际长度应为146m*1.3)。依据文章一,微断的倍数(5、10)已包含了误差,所以对于微型断路器,其表格的长度应再乘以1.3。
也可以理解为,对于微型断路器,其K1值为1。
3.5、《低压配电解析》此本书为《配四》的修正和补充,并且《低压配电解析》中也考虑了多级线路的折算系数,比较全面和方便。四、《低压配电解析》中表格的应用4.1、 断路器瞬动或短延时(一般变压器主断路器0.4S,母联0.3S,分支出线0.2S)

4.2、 熔断器t<5s

4.3、 熔断器 t<0.4s
没有2-12A对应的长度,补充后的表格见5.2。

4.4、 多级线路长度折算系数

4.5、 举例:

五、《低压配电解析》的补充5.1、《解析》中表格均考虑的是塑壳断路器,未考虑工程中常用的微型断路器(施耐德有相应表),微型断路器其瞬动值比200A要小不少,且对于BCD三种曲线的5/10/20倍,由于已考虑系数1.3倍,故当微型断路器瞬动值与塑壳相同时,电缆最大允许长度与塑壳断路器相比可增加1.3倍。
以下3个表格为BCD三种曲线的微型断路器作故障防护时电缆最大允许长度,公式见《配四》的公式,但不再考虑1.3倍的系数。



注:电源侧阻抗系数取0.9,电压取220V。
5.2、《低压配电解析》中,当采用0.4S时(表5.4-9),熔断器最小值为16A,没有列出2、4、6、8、10、12A这几档,这几档在工业中也会可能遇到,补充如下:

注1:《配四》中的表11.2-5和表11.2-6,计算数据不准确。任老《低压配电解析》中表5.4-8和表5.4-9是准确的。
注2:2~12A熔断器0.4S对应的KrIn值,通过GB/T13539.2-2015 图104读取。
注3:《低压配电解析》中表5.4-9,S=120mm2行的长度值,书中可能不对,核算过的长度见上表。
5.3、 涉及到母线槽供电的折算,可以参考任老的《低压配电设计解惑》第3章。其原理和电缆一致,也是母排长度进行折算。