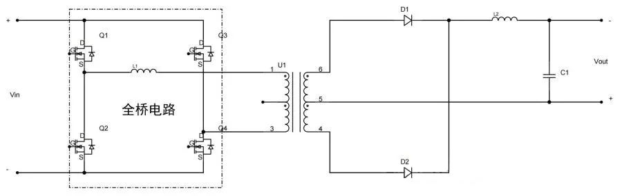
全桥电路是常用电子电路,由 4 个开关管(多为 MOS 管)和负载组成,能将直流电转交流电,广泛用于开关电源、变频器、电动汽车等电力电子领域,核心是通过控制开关管通断改变电源与负载的电压极性,实现负载驱动。

一、全桥电路工作原理
上半周期:Q1、Q4 闭合,Q2、Q3 断开,电流从电源正极经 Q1 到负载,再经 Q4 回电源负极;
下半周期:Q2、Q3 闭合,Q1、Q4 断开,电流从电源正极经 Q3 到负载,再经 Q2 回电源负极,以此实现直流转交流。
二、全桥电路对 MOS 管的需求
低损耗:导通损耗由 Rdson 决定,需 Rdson 更小;开关损耗与米勒平台相关,需开关特性好、速度快、交越损耗小;
适配感性负载:后端为感性负载时需二极管反向续流,要求 MOS 管反向恢复特性好、反向恢复时间(trr)短。
三、超结 MOS 的优势与应用
超结 MOS 是先进功率半导体器件,自带低导通损耗、大通流、低栅极电荷、低开启电压特性,适配全桥电路高频、大功率场景,具体作用如下:
提效率:低导通损耗减少能量损失,低栅极电荷加快开关速度、降低交越损耗;
强性能:大通流能力支持更高功率应用,低开启电压简化驱动电路、提升可靠性;
优负载处理:自带高性能反向二极管,短 trr 减少感性负载的反向恢复损耗;
选型要点:需匹配耐压等级、Rdson、栅极电荷等参数,如 3kW DC-DC 产品可选 650V 耐压、0.1Ω Rdson 的型号,满足 400VDC 输入需求。
四、实际应用案例
超结 MOS 已广泛用于全桥电路,如电动汽车逆变器(提升效率与性能)、通信电源、便携式储能电源(满足高效率、高功率密度、高可靠性需求)。
