
一、概述
1.1功能介绍
EC-PM-600电能质量分析仪表采用先进的微处理器和数字信号处理技术设计而成。集合全面的三相电量测量、显示、能量累计、电力品质分析、故障报警、开关量输入、继电器输出与网络通讯于一体。抗干扰能力强,在电磁干扰较为严重的场合仍然能稳定地工作。
1.2应用场合
>测量、监控配电系统中的电能参数
>成本中心分析需要的能耗数据采集
>限值监控报警(如过电压,电能消耗)
>电能质量分析
>绿色建筑或DCS系统的数据测量
1.3功能特点
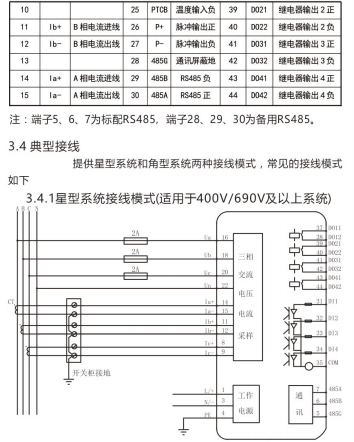
>测量三相相/线电压、三相电流、正/负序电压、正/负序电流、有功功率、无功功率、视在功率、有功电能、无功电能、功率因数、频率等三十余种基本电量
测量显示月平均功率因数,准确掌握月无功用量情况
>0.5S级的双向四象限电度统计及复费率统计功能
需量统计功能,并记录最大值
工作时间、负载时间统计功能
可记录电压骤升、骤降、中断事件各50个
支持高达63次谐波计算、总谐波畸变率计算、不平衡率、电流K系数计算电压的短时闪变值和长时闪变值以及波动极值
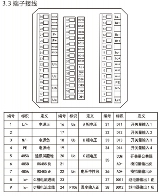
标配1路RS485通讯接口,Modbus协议,可扩展Profibus-DP通讯模块
>扩展4路无源开关量输入
扩展4路继电器输出
可扩展1路4~20mA模拟量输出
1路无源光耦集电极有功脉冲输出
可扩展1路PT100温度输入
256点/周波的电压、电流采样,测量精度高
160*160点阵液晶,微背光显示,在强光和大视角环境下获得良好的视觉效果







联系方式:请拨打53673167